华强盛电子导读:百兆poe以太网网络变压器连接器供电都是利用空闲脚位45+78-供电,那么千兆网络八根线全部用来传输数据的话,供电是如何做到的呢?千兆网络变压器 poe 基本供电线路 对于以太网的网络信号,是利用网络变压器的网线上跑的差分...
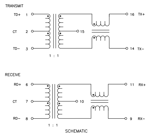
盈盛电子导读:网络变压器的引脚定义先来看一组常规百兆网络变压器的线路TX+ Tranceive Data+ (发信号+)TX- Tranceive Data- (发信号-)RX+ Receive Data+ (收信号+)RX- Rec...
导读:一个带了隔离变压器的RJ45,板内线路还需要加ESD,浪涌,防雷这些保护吗?华强盛电子:板内还是需要做防雷保护的。 由于变压器有一定的隔离特性,只要过电压不超过变压器初级与次级的耐压能力而被击穿,过电压会完全被隔离在初级侧,从而对次...
华强盛电子导读:网络资料中常有网络变压器分类及应用的相关表述,但一直感觉表述得不全,今天,特意详细整理了一下相关资料,整理出目前网络上最全的网络变压器分类和网络变压器最全应用,如还有缺失,请同修们不吝留言指导哦,谢啦 最全的网络变压器分类...
华强盛电子导读:以太网是一种计算机局域网技术。IEEE组织的IEEE 802.3标准制定了以太网的技术标准,它规定了包括物理层的连线、电子信号和介质访问层协议的内容 以太网型号的表达方式BASE 前的数字表示网络的数据传输率,比如说:1...
网络变压器生产2020年12月16日最新播报2020年初,朝鲜产区封停,允许少量货物进出 同期,新疆监区封停2020年3月初,朝鲜产区全面封停,严禁网络变压器原料及成品出入关口2020年4月中旬...
网络变压器生产中选择的磁环为何要考虑磁环复数磁导率? 盈盛电子导读:引入磁环复数磁导率概念的基本思路是:认为磁环线圈偏离理想电感全都是由磁环的相对磁导率随信号频率变化引起的。将磁环的相对磁导率写成复数形式,并且推导出其实数、虚数与L...
Hqst华强盛导读:网络变压器的网络高频参数测试是项很重要的测试,以下是盈
网络变压器(LAN Transformer)在PoE,PoE+,UPoE+中的应用
一大早XCJ的甘小姐头像就跳动起来, 姐姐,你第一次给我提供的网络变压器和
我们产品中常常在封装尺寸上会有TYP的单位标注,经常有朋友咨询问这是什么意
盈盛电子网络变压器产品客户抱怨/退货/召回处理程序 1.0目的 为加强客户服务,以方便顾客在使用本公司产品时所反应之问题点,均能迅速调查及采取适当对策,以保证客户对本公司产品满意. 2...
盈盛(HQST)电子内部文件导读:本文为盈盛电子HQST网络变压器生产内部品质稽核程序文件,属企业内部管理文件石门盈盛电子有限公司(Hqst)是一家集研发、生产、销售为一体的网络电子元器件制造商. 公司于2006年成立,十几年来一直向数据通...